
INTRODUCTION
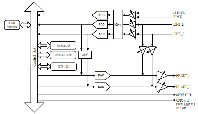
The CM6642 is a low power single chip USB 2.0 High-Speed audio codec built-in MCU for flexible applications. With integrated PWM LED driver and 3-channel ADC/ 2-channel DAC and S/PDIF interface that makes it suitable for headset, headphone, docking, speakers, and microphone applications. The internal MCU can also be developed to a lot of different applications, such as VoIP device, Mobile Phone or Tablet/Slate docking device. The CM6642 is compatible with USB Audio Class 1.0/2.0 and USB 2.0 High-Speed, thus it can plug & play without any additional software installation on major operating systems. The internal DAC support from 44.1~192 KHz and ADC support from44.1~192 KHz sampling rate with 16/24 bits resolution.
The CM6642 also integrates 16K Byte OTP and crystal and just requires few passive components to make a finish product. Thus, it can save the total BOM cost and PCB area can be smaller.
PRODUCT FEATURES
USB Compliance
USB 1.1/2.0 Full-Speed and High-Speed compliant
USB Audio Class 1.0 and 2.0 compliant
USB Human Interface Device (HID) Class 1.1 compliant
Supports USB suspend/resume/reset functions
Support Selective Suspend mode
Integrated Micro Controller Unit Microprocessor
Embedded MCU micro-processor to handle the command/protocol transactions
Embedded 16K Byte OTP
4K Byte RAM for firmware extension and plug-in
HID interrupts/buttons/functions can be implemented via firmware codes
Provides maximum hardware configured flexibility with firmware code upgrade
VID/PID/Product String can program by firmware
Control Interface
12 GPIO pins and firmware programmable
GPIOs are configured as HID key and LED indicators
PWM LED Driver
General
Crystal-less (embedded crystal function)
Single 5V power supply (embedded 5V to 1.8V regulator for digital core, 5V to 1.8/3.3V regulator for digital IO, 5V to 1.8V regulator for analog codec)
1.8/3.3V digital I/O pads with 5V tolerance
Industrial standard QFN-48 package (5x6.5mm)
Audio I/O
Playback Stream:
- Speaker/Headphone
1. Sample Rates: 44.1K/48K/96K/192KHz
? 2. Supports Bit Length: 16/24bits
? 3. DAC Gain Range is -65.6 ~ 0dB
- S/PDIF transmitter
? 1. Sample Rates: 44.1K/48K/96K/192KHz
? 2. Supports Bit Length: 16/24 bits
Recording Stream:
? - Microphone
? 1. Sample Rates: 44.1K/48K/96K/192KHz
? 2. Supports Bit Length: 16/24 bits
? 3. ADC gain range is -33.5 ~ 30dB
- A-A path Stream:
? 1. Line In to playback A-A path
? 2. Mix Line input to stereo playback both L/R channel
? 3. The Line In A-A path gain range is -34.5 ~ 12dB
**Note 1: A-A path means Analog to Analog Mixer path
BLOCK DIAGRAM
